podłączenie sciemniacza podświetlenia zegarów
- Martinoo
- Moderator
- Posty: 4031
- Rejestracja: 16 lip czw, 2009 3:55 pm
- Posiadany PUG: 205 Color line Dturbo, 307 XSI HDI, 407 SW 2.0 HDI
- Numer Gadu-gadu: 8330169
- Lokalizacja: Gdynia
- Kontakt:
podłączenie sciemniacza podświetlenia zegarów
Nie mam instalacji gotowej pod podłaczenie sciemniacza zegarów, może mi ktos powiedzieć do który kabli z jakiej kostki muszę taki sciemniacz podłączyć i w jaki sposób?
205 1.9 Dturbo -> NIE MA OGNIA BEZ DYMU !!! ;P
307 XSI 2.0 HDI ~140KM
407 SW 2.0 HDI 136KM
P.S Nie drażnij lwa!

307 XSI 2.0 HDI ~140KM
407 SW 2.0 HDI 136KM
P.S Nie drażnij lwa!
- helterskelter
- Junior
- Posty: 194
- Rejestracja: 31 lip czw, 2008 6:02 pm
- Posiadany PUG: 205 xad lux; 205 GTI export
- Numer Gadu-gadu: 0
- Lokalizacja: WP
Re: podłączenie sciemniacza podświetlenia zegarów
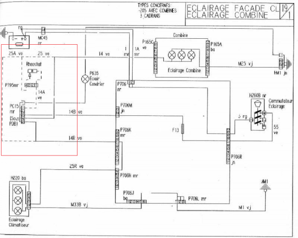
Wypinasz z brązowej kostki PC15 zielone przewody z pinów 4 i 5. Trzeba je połączyć i wpiąć w jeden z pinów na ściemniaczu. Należy dorobić przewód z drugiego pinu w ściemniaczu do 1 pinu kostki PC15. I to wszystko.
(kostka PC15 jest na desce po prawej stronie kierownicy -widoczna jak się popatrzy od dołu)
Poniżej schemat elektryczny. To co Cię interesuje zaznaczyłem w ramce. Liniami przerywanymi oznaczono przebieg przewodów w wersji ze ściemniaczem. Udanego montażu
PS. Zaczerpnięta ze strony francuskiej planete205 fotka, na której widać kostkę PC15
(kostka PC15 jest na desce po prawej stronie kierownicy -widoczna jak się popatrzy od dołu)
Poniżej schemat elektryczny. To co Cię interesuje zaznaczyłem w ramce. Liniami przerywanymi oznaczono przebieg przewodów w wersji ze ściemniaczem. Udanego montażu
PS. Zaczerpnięta ze strony francuskiej planete205 fotka, na której widać kostkę PC15
- czargosia
- Junior
- Posty: 415
- Rejestracja: 26 sty ndz, 2014 10:44 pm
- Posiadany PUG: 205 CTI 91-gutek, 205 Rallye 1,9 , 205 Automatic 1,9b+g 5D 89r,
- Numer Gadu-gadu: 0
- Lokalizacja: Olsztyn --- WARMIA I MAZURY
Re: podłączenie sciemniacza podświetlenia zegarów
Witam,
Ja się podepnę do tematu odnośnie podświetlenia deski rozdzielczej. U mnie nie ma podświetlenia zegarów w liczniku. Podświetlenie włączników świateł przeciwmgielnych jest a nie ma podświtlenia okrągłych przełączników nawiewów i licznika. Miał ktoś może taką usterkę?
z góry dziękuję
Ja się podepnę do tematu odnośnie podświetlenia deski rozdzielczej. U mnie nie ma podświetlenia zegarów w liczniku. Podświetlenie włączników świateł przeciwmgielnych jest a nie ma podświtlenia okrągłych przełączników nawiewów i licznika. Miał ktoś może taką usterkę?
z góry dziękuję
Peugeot 205 CTI zielony - Jak dorosnę będę JAGUAR-em
- Martinoo
- Moderator
- Posty: 4031
- Rejestracja: 16 lip czw, 2009 3:55 pm
- Posiadany PUG: 205 Color line Dturbo, 307 XSI HDI, 407 SW 2.0 HDI
- Numer Gadu-gadu: 8330169
- Lokalizacja: Gdynia
- Kontakt:
Re: podłączenie sciemniacza podświetlenia zegarów
wymień żaróweczki które są wewnątrz i bedzie grało 
205 1.9 Dturbo -> NIE MA OGNIA BEZ DYMU !!! ;P
307 XSI 2.0 HDI ~140KM
407 SW 2.0 HDI 136KM
P.S Nie drażnij lwa!

307 XSI 2.0 HDI ~140KM
407 SW 2.0 HDI 136KM
P.S Nie drażnij lwa!
- czargosia
- Junior
- Posty: 415
- Rejestracja: 26 sty ndz, 2014 10:44 pm
- Posiadany PUG: 205 CTI 91-gutek, 205 Rallye 1,9 , 205 Automatic 1,9b+g 5D 89r,
- Numer Gadu-gadu: 0
- Lokalizacja: Olsztyn --- WARMIA I MAZURY
Re: podłączenie sciemniacza podświetlenia zegarów
dzięki za odp. Ma taki proste rozwiązanie nie wpadłem a już miałem wszystko rozłożone i mogłem to zrobić.
No nic dziękuję
pozdro
No nic dziękuję
pozdro
Peugeot 205 CTI zielony - Jak dorosnę będę JAGUAR-em