tylne prawe postojowe - POMOCY PANOWIE!

Forum dla spraw zwiazanych z problemami/dyskusjami na temat nadwozia, wnetrza oraz modyfikacja wewnatrz samochodu
Awatar użytkownika
radzio0983
Nowicjusz
Posty: 31
Rejestracja: 28 maja czw, 2015 6:17 pm
Posiadany PUG: 205 XS
Numer Gadu-gadu: 0
Lokalizacja: Dąbrowa Górnicza

tylne prawe postojowe - POMOCY PANOWIE!

Post autor: radzio0983 »

Witam panowie , Nie pala mi tylne prawe postojowe lampy poszperalem na forum i wyczytalem ze zarowno prawe i lewe lampy tylne moga miec jakies osobne bezpieczniki tylko pytanie gdzie ich szukac ;) bo te na polce pod kierownica sa ok z tego co sprawdzilem , no i kostkami tez przy lewej lampie ruszalem we wszystkie strony i je przeczyscilem wiec podejrzewam ten postowy bezpiecznik prawej lampy, tylko gdzie on bedzie ewentualnie? Pomocy mistrzowie. Pozdrawiam
borek_wpr
Uzalezniony
Posty: 844
Rejestracja: 25 maja czw, 2006 10:01 am
Numer Gadu-gadu: 0
Lokalizacja: Pruszków

Re: tylne prawe postojowe - POMOCY PANOWIE!

Post autor: borek_wpr »

Może nie ma kontaktu w oprawie żarówek. Z boku gniazda wystający kawałek blaszki-styk boczny żarówki.
Jest ledwo widoczny. Sprawdź miernikiem czy dochodzi napięcie od strony wejścia przewodów w kostkę.
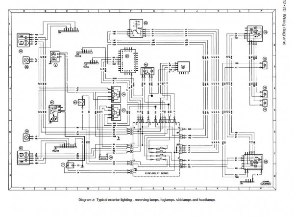
Popatrz na schemat.
2.JPG
Trzeba isc przez życie twardo, nie żałować wszystkich sił...
Awatar użytkownika
radzio0983
Nowicjusz
Posty: 31
Rejestracja: 28 maja czw, 2015 6:17 pm
Posiadany PUG: 205 XS
Numer Gadu-gadu: 0
Lokalizacja: Dąbrowa Górnicza

Re: tylne prawe postojowe - POMOCY PANOWIE!

Post autor: radzio0983 »

Ok, co prawda srednio sie znam na tych wszystkich schematach ale ewentualnie pokaze to komus bardziej kumatemu,mam nadzieje ze to w koncu ogarne co by "przyjaciele" nie mieli pretekstu zeby mnie za3mac. A powiedz mi jezeli na ten styk do tylnych lamp nie dochodzi prad tzn ze lampa do wymiany co nie, bo z tego co widzialem to jest to raczej nie rozbieralne. Mimo wszystko dzieki za pomoc brachu
borek_wpr
Uzalezniony
Posty: 844
Rejestracja: 25 maja czw, 2006 10:01 am
Numer Gadu-gadu: 0
Lokalizacja: Pruszków

Re: tylne prawe postojowe - POMOCY PANOWIE!

Post autor: borek_wpr »

Prąd do bocznego styku może dopływać, lecz styk jako taki nie dotyka cokołu żarówki. Czasami dzieje się tak gdy jego( tj. cokołu) średnica jest nieco mniejsza np. o 0,5 mm. Sprężysty styk dolny + prowadnice bagnetowe utrzymują żarówkę w stałej pozycji i mamy nie-kontakt. Całej lampy nie trzeba wymieniać. Wystarczy podstawa ,lecz musi być zgodność typu gdyż w przeciwnym razie trzeba zmieniać/przepiąć okablowanie.
Na schemacie lampy tylne są po prawej stronie.
Trzeba isc przez życie twardo, nie żałować wszystkich sił...
Awatar użytkownika
radzio0983
Nowicjusz
Posty: 31
Rejestracja: 28 maja czw, 2015 6:17 pm
Posiadany PUG: 205 XS
Numer Gadu-gadu: 0
Lokalizacja: Dąbrowa Górnicza

Re: tylne prawe postojowe - POMOCY PANOWIE!

Post autor: radzio0983 »

Ok, dzieki brachu jak tylko znajde troche wolnego czasu to bede wojowal ;)
ODPOWIEDZ