Strona 2 z 3
Re: amorki z 306
: 22 gru czw, 2011 2:21 pm
autor: grzesiek309
Mam zamiar zakupić nowe amortyzatory na tył. I nie wiem co wybrać KYB dedykowane do 306 po niecałe 200PLN czy ory z ASO do 306 GTi-6 po ok 250. Co doradzicie?
Re: amorki z 306
: 31 gru sob, 2011 3:17 am
autor: Gruszka
z xsary kombi są sztywniejsze! Polecam:)
Re: amorki z 306
: 31 gru sob, 2011 3:05 pm
autor: Para
Ja jezdze na tych z 306 GTI6 i jak dla mnie sprawuja sie wysmienicie. Kayaby sa chyba z regulacja wiec to by byl plus.
Re: amorki z 306
: 31 gru sob, 2011 3:28 pm
autor: grzesiek309
Tylko AGX mają regulację, te zwykłe już nie

Wybiorę chyba te z GTi6. Marzyły mi się AXG lub GAZy ale budżet za mały

Re: amorki z 306
: 13 maja pn, 2013 10:54 pm
autor: Martinoo
Gruszka pisze:z xsary kombi są sztywniejsze! Polecam:)
z xsary kombi mówisz?
Ale obojetnie jaka wersja silnikowa?
Mam problem w moim bo dziś kumpla wiozłem na tylnym siedzeniu i na wybojach już ostro tarł o bude zwłaszcza że koła wychodza poza obrys
Re: amorki z 306
: 13 mar czw, 2014 7:40 pm
autor: PIT_R
Może troche odgrzeje kotleta. Czy amor przedni z 306 lub z 206 podejdzie po seryjna sprezyne od CTi ? Wiem ze pasuja jako tako amortyzatory, ale bardziej zastanawia mnie jak to bedzie z twardoscia i dlugoscia skoku amora.
Sprezyna od 205 jest krotsza od tej do 306.
Do groblikowego CTi chcemy zamontowac zawieszenie z GTi, ale jest problem z amorami do GTi, bo sa dosc drogie, a szykamy jakiegos tanszego wyjscia z sytuacji.
Re: amorki z 306
: 13 mar czw, 2014 9:11 pm
autor: pawel
Amorki z 206/306 mają wyżej przyspawany talerz pod sprężyne Cti bedzie wyżej siedzieć
Re: amorki z 306
: 14 mar pt, 2014 1:13 am
autor: HideoOSW
Jak sie poszuka to da rade znaleźć DeCarbony performance pod brandem Delphi do 205 GTI.
Na foto wersja Performance nr. katalogowy DE K03574213 na grubej ladze czyli to samo co Bilstein B6. (szukam namiarów na takie w dobrej cenie.)
DeCarbony były montowane na pierwszy montaż w mocnych autach typu Clio Wiliams może 205 GTI także.
http://www.ebay.pl/itm/4-AMORTISSEURS-D ... 7fa&_uhb=1
Tutaj na aukcji za 630zł komplet na całe auto, ale to są DeCarbony komfort na cienkiej ladze, gazowe dwururowe więc chyba to samo co Monroe i zwykła KYB.
Re: amorki z 306
: 14 mar pt, 2014 10:35 am
autor: DJPreZes
Re: amorki z 306
: 14 mar pt, 2014 10:45 am
autor: PIT_R
Dzieki za pomoc juz cos wiecej wiem czego szukac

Re: amorki z 306
: 15 mar sob, 2014 2:08 pm
autor: bhejduk
Prezes, gdzie Ty takie cuda kupujesz?
Re: amorki z 306
: 17 mar pn, 2014 4:14 pm
autor: HideoOSW
Re: amorki z 306
: 25 cze śr, 2014 2:15 pm
autor: Jaca1984
pawel pisze:Amorki z 206/306 mają wyżej przyspawany talerz pod sprężyne Cti bedzie wyżej siedzieć
Nie do końca bo..
206 ma talerz przyspawany niżej od 205 o 2,5mm, a 306 ma niżej o 11,5 mm ,ale średnica sprężyny z 205 jest większa od 206 i 306 o 2,5mm (150 vs 147,5) więc słabo spasuje.
Jeżeli chodzi o długość rury to 206 jest o 23mm dłuższa, a 306 jest podobna.
206 RC ma podobną długość rury i skrócone tłoczysko więc najlepiej by pasował, ale razem ze sprężyną...
Troche dużo kombinacji :>

Re: amorki z 306
: 25 cze śr, 2014 2:20 pm
autor: pawel
Zależy z której strony amortyzatora patrzysz, ogólnie mimo niżej wspawanego od góry cały amortyzator jest daje efekt podniesienia auta.
Re: amorki z 306
: 25 cze śr, 2014 2:41 pm
autor: Jaca1984
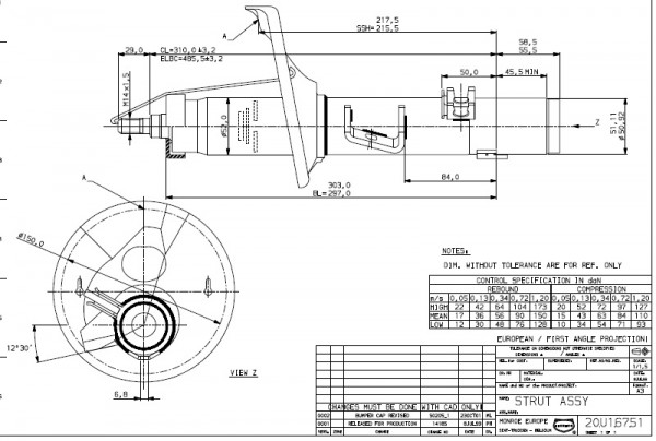
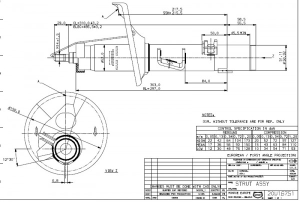
Porównuję wymiary położenia siedziska względem podparcia w zwrotnicy. Jak na rysunku:

- monroe pug205.jpg (58.99 KiB) Przejrzano 10519 razy
Wysokość nadwozia zależy jeszcze od rozmiarów górnego mocowania amora, a w ekstremalnej sytuacji od długości rury i wysokości odbojnika. No i wysokości i sztywności sprężyny.
A Ty porównałeś te amorki na "żywo"?