Brak iskry
- 
				borek_wpr
 - Uzalezniony
 - Posty: 844
 - Rejestracja: 25 maja czw, 2006 10:01 am
 - Numer Gadu-gadu: 0
 - Lokalizacja: Pruszków
 
Re: Brak iskry
Jutro postaram się sprawdzić i opisać.
			
			
									
						
							Trzeba isc przez życie twardo, nie żałować wszystkich sił...
			
						- 
				luki0166
 - Nowicjusz
 - Posty: 30
 - Rejestracja: 17 cze pt, 2011 12:11 pm
 - Posiadany PUG: 1.1 89r.
 - Numer Gadu-gadu: 6051839
 
Re: Brak iskry
Ok, dziękuję z góry.  
			
			
									
						
										
						- 
				borek_wpr
 - Uzalezniony
 - Posty: 844
 - Rejestracja: 25 maja czw, 2006 10:01 am
 - Numer Gadu-gadu: 0
 - Lokalizacja: Pruszków
 
Re: Brak iskry
Widok na osłonę wtyczki modułu
Widok na aparat zapłonowy z przykręconym modułem oraz cewką WN nad nim
Mój silnik to TU-9
Niestety nie ma tam czarnego kabla. Od modułu idzie kabel pomarańczowy, jasnoszary i żółtozielony.
Wieczorem popatrzę w schemat i napiszę co gdzie idzie- przynajmniej w moim silniku.
			
			
									
						
							Niestety nie ma tam czarnego kabla. Od modułu idzie kabel pomarańczowy, jasnoszary i żółtozielony.
Wieczorem popatrzę w schemat i napiszę co gdzie idzie- przynajmniej w moim silniku.
Trzeba isc przez życie twardo, nie żałować wszystkich sił...
			
						- 
				luki0166
 - Nowicjusz
 - Posty: 30
 - Rejestracja: 17 cze pt, 2011 12:11 pm
 - Posiadany PUG: 1.1 89r.
 - Numer Gadu-gadu: 6051839
 
Re: Brak iskry
A jakbyś spróbował zdjąć te osłonki i zobaczyć, który kabel wchodzi w które miejsce do cewki? Np. ten w module na samej górze to cewki do pinu po lewej stronie. Taki przykład podałem. I czy piny + i - na cewce masz zewnętrzne czy wewnętrzne dwa?
			
			
									
						
										
						- 
				borek_wpr
 - Uzalezniony
 - Posty: 844
 - Rejestracja: 25 maja czw, 2006 10:01 am
 - Numer Gadu-gadu: 0
 - Lokalizacja: Pruszków
 
Re: Brak iskry
Wczoraj jak robiłem fotki to nie miałem czym podważyć gumy wtyczki modułu. Guma kręciła się a nie schodziła.Próbowałem podważyć kluczykiem lecz nie ustępowała a mocniej wolałem nie ryzykować. Kluczyk jest kruchy a rozerwać gumę łatwo.Osłonki dostaną trochę mydła w płynie i zejdą.
Aktualnie pada deszcz więc fotki poczekają, ale będą.
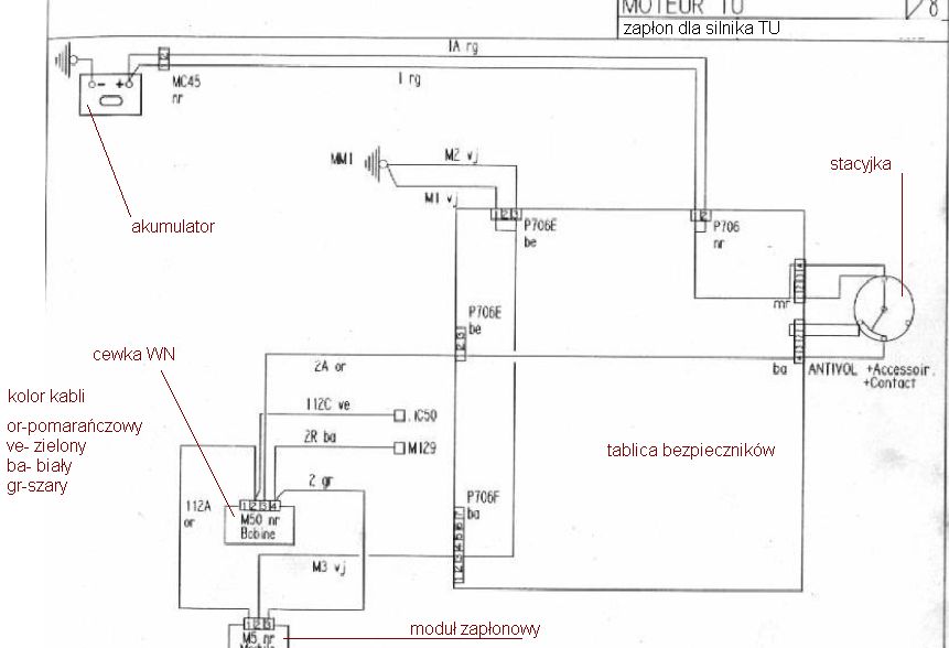
Póki co fragment schematu z elementami układu zapłonowego dla TU1, TU3, TU 9 Jeżeli znasz typ swojego silnika to podaj. Będzie łatwiej. Trochę schematów mam.
Coś można wybrać.
			
			
									
						
							Aktualnie pada deszcz więc fotki poczekają, ale będą.
Póki co fragment schematu z elementami układu zapłonowego dla TU1, TU3, TU 9 Jeżeli znasz typ swojego silnika to podaj. Będzie łatwiej. Trochę schematów mam.
Coś można wybrać.
Trzeba isc przez życie twardo, nie żałować wszystkich sił...
			
						- 
				luki0166
 - Nowicjusz
 - Posty: 30
 - Rejestracja: 17 cze pt, 2011 12:11 pm
 - Posiadany PUG: 1.1 89r.
 - Numer Gadu-gadu: 6051839
 
Re: Brak iskry
Korzystałem z tego, schematu, lecz nie wiem, który kabel z tych dwóch podłączać do cewki, tzn. w jakij kolejności. Ten ostatni od cewki mam odłączony, bo chyba idzie do obrotomierza, którego nie mam. Drugi idzie do plusa po stacyjce, a te dwa właśnie nie wiem, który w jakiej kolejności, jeśli jest różnica.
			
			
									
						
										
						- 
				borek_wpr
 - Uzalezniony
 - Posty: 844
 - Rejestracja: 25 maja czw, 2006 10:01 am
 - Numer Gadu-gadu: 0
 - Lokalizacja: Pruszków
 
Re: Brak iskry
Pogoda dopisała to i są fotki.
Kabel wtyczki modułu zapłonowego wydaje się być żółto biały lecz to jest kolor pomarańczowy. 
Moduł zapłonowy typ MTR 02 dla silników od 1 do 1,4 litra
Przewód (+) od stacyjki łatwo zlokalizować jakimś woltomierzem prądu stałego.
Wystarczy przekręcić kluczyk w poz 2 bez kręcenia rozrusznikiem.
Jak podłączysz kabelki to we wtyczkę cewki (tor 2 i 3 ) wpiąć małą żarówkę i jak kręcisz rozrusznikiem
musi migać.
			
			
									
						
							Moduł zapłonowy typ MTR 02 dla silników od 1 do 1,4 litra
Przewód (+) od stacyjki łatwo zlokalizować jakimś woltomierzem prądu stałego.
Wystarczy przekręcić kluczyk w poz 2 bez kręcenia rozrusznikiem.
Jak podłączysz kabelki to we wtyczkę cewki (tor 2 i 3 ) wpiąć małą żarówkę i jak kręcisz rozrusznikiem
musi migać.
Trzeba isc przez życie twardo, nie żałować wszystkich sił...
			
						- 
				luki0166
 - Nowicjusz
 - Posty: 30
 - Rejestracja: 17 cze pt, 2011 12:11 pm
 - Posiadany PUG: 1.1 89r.
 - Numer Gadu-gadu: 6051839
 
Re: Brak iskry
Dziękuję bardzo!!! Jesteś wielki! Jak tylko będę miał możliwość to wszystko podłączę i sprawdzę czy działa. 205-tka nie odpalana rok, więc z próbami zapłonu poczekam, aż się trochę ociepli, może w tym tygodniu cos pokombinuję. Dziękuję jeszcze raz.  
Edit: Słuchaj a nie wiesz, gdzie te dwa kable od cewki ze środkowych pinów wychodzą jeszcze? Oznaczone jest chyba IC50 i M129
			
			
									
						
										
						Edit: Słuchaj a nie wiesz, gdzie te dwa kable od cewki ze środkowych pinów wychodzą jeszcze? Oznaczone jest chyba IC50 i M129
- 
				borek_wpr
 - Uzalezniony
 - Posty: 844
 - Rejestracja: 25 maja czw, 2006 10:01 am
 - Numer Gadu-gadu: 0
 - Lokalizacja: Pruszków
 
Re: Brak iskry
Mała poprawka- chodziło Ci o skrajne kable wtyczki WN. 
Schemat francuski
- M129, to kondensator przeciw zakłóceniowy dokładany celem wyeliminowania zakłóceń odbioru fal radiowych.
Podłączony kablem białym o oznaczeniu 2R. Nie mylić z kablem 2A.
- IC 50, kabel o nr 112C to gniazdo testowe wtrysku.Tak to chyba trzeba tłumaczyć. Można go też wykorzystać do innych zastosowań np. sygnał dla instalacji LPG.
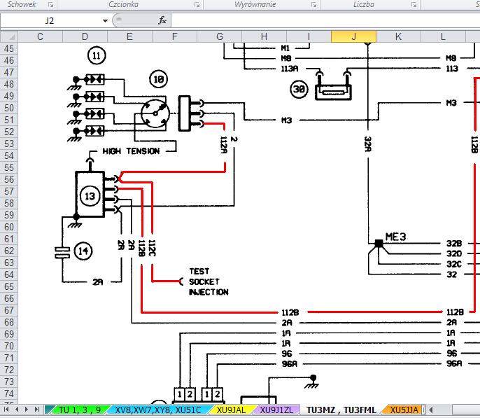
Poniżej schemat angielski. Może przyda Ci się też tablica bezpieczników.
Pin nr 1 jest zawsze z PRAWEJ strony danego złącza patrząc na tablicę. I sprawdź cewkę wg wcześniejszego opisu. Teraz już wiadomo gdzie + i -
A jak uda się uruchomić autko to daj znać.
Powodzenia.
			
			
									
						
							Schemat francuski
- M129, to kondensator przeciw zakłóceniowy dokładany celem wyeliminowania zakłóceń odbioru fal radiowych.
Podłączony kablem białym o oznaczeniu 2R. Nie mylić z kablem 2A.
- IC 50, kabel o nr 112C to gniazdo testowe wtrysku.Tak to chyba trzeba tłumaczyć. Można go też wykorzystać do innych zastosowań np. sygnał dla instalacji LPG.
Poniżej schemat angielski. Może przyda Ci się też tablica bezpieczników.
Pin nr 1 jest zawsze z PRAWEJ strony danego złącza patrząc na tablicę. I sprawdź cewkę wg wcześniejszego opisu. Teraz już wiadomo gdzie + i -
A jak uda się uruchomić autko to daj znać.
Powodzenia.
Trzeba isc przez życie twardo, nie żałować wszystkich sił...
			
						- 
				luki0166
 - Nowicjusz
 - Posty: 30
 - Rejestracja: 17 cze pt, 2011 12:11 pm
 - Posiadany PUG: 1.1 89r.
 - Numer Gadu-gadu: 6051839
 
Re: Brak iskry
Posiadam dwa rodzaje cewek, z pinami +i - skrajnie położonymi i po środku, więc skorzystam chyba z tego pierwszego schematu. Tylko nie wiem czy moduł tutaj ma coś do rzeczy z którego schematu korzystać.
			
			
									
						
										
						- 
				borek_wpr
 - Uzalezniony
 - Posty: 844
 - Rejestracja: 25 maja czw, 2006 10:01 am
 - Numer Gadu-gadu: 0
 - Lokalizacja: Pruszków
 
Re: Brak iskry
Jak masz taki moduł tj. MTR 02 to nie ma problemu
a tu więcej informacji o innym module do naszych 205 silniki 1,6 1,9 litra wraz z opisami pinów,
http://forum.peugeot205.pl/viewtopic.php?f=25&t=23911
			
			
									
						
							http://forum.peugeot205.pl/viewtopic.php?f=25&t=23911
Trzeba isc przez życie twardo, nie żałować wszystkich sił...
			
						- 
				luki0166
 - Nowicjusz
 - Posty: 30
 - Rejestracja: 17 cze pt, 2011 12:11 pm
 - Posiadany PUG: 1.1 89r.
 - Numer Gadu-gadu: 6051839
 
Re: Brak iskry
Moduł mam identyczny, tylko firmy HÜCO więc chyba będzie dobry. Ten schemat, co wysłałeś drugi, to też z niego korzystałem, jednak nie mogę się połapać na nim jeśli chodzi o moduł to który pin jest który, tzn który górny, dolny itd.
			
			
									
						
										
						- 
				borek_wpr
 - Uzalezniony
 - Posty: 844
 - Rejestracja: 25 maja czw, 2006 10:01 am
 - Numer Gadu-gadu: 0
 - Lokalizacja: Pruszków
 
Re: Brak iskry
Skoro moduł pasuje to nie ma problemu.Schemat francuski i angielski bo z książki Etzolda a mam wersję papierową trzeba się doczytać przy pomocy lupy. Gdyby na module f-my HÜCO  nie było oznakowań to tu przepisane z Magneti Marelli
To powinno pomóc w podłączaniu kabli.
			
			
									
						
							Trzeba isc przez życie twardo, nie żałować wszystkich sił...
			
						- 
				luki0166
 - Nowicjusz
 - Posty: 30
 - Rejestracja: 17 cze pt, 2011 12:11 pm
 - Posiadany PUG: 1.1 89r.
 - Numer Gadu-gadu: 6051839
 
Re: Brak iskry
Ok, jak będzie cieplej to będe próbować odpalić, dziękuje jeszcze raz za pomoc.   
   Wolę teraz nie odpalać, bo wymiana zaworów i paska nauczyła mnie, żeby w zimie po postoju ponad rok nie odpalać.  
			
			
									
						
										
						- 
				borek_wpr
 - Uzalezniony
 - Posty: 844
 - Rejestracja: 25 maja czw, 2006 10:01 am
 - Numer Gadu-gadu: 0
 - Lokalizacja: Pruszków
 
Re: Brak iskry
Więc uzbrajam się w cierpliwość i czekam na info o pomyślnym rozruchu.
			
			
									
						
							Trzeba isc przez życie twardo, nie żałować wszystkich sił...