wymiana --->korbki na przyciski :)

Forum dla spraw zwiazanych z problemami/dyskusjami na temat nadwozia, wnetrza oraz modyfikacja wewnatrz samochodu
bullet666
Junior
Posty: 230
Rejestracja: 03 lis pn, 2008 1:45 am
Posiadany PUG: na razie szukam gentry....
Numer Gadu-gadu: 2046824

wymiana --->korbki na przyciski :)

Post autor: bullet666 »

chodzi mi o to ze mam teraz w 205-ce szybki na korbki i chciałbym założyć el. sterowane szybki chociaż na przód (mam wersje 5d ) i teraz pytanie czy jak się wyposażę w mechanizm i przyciski to wystarczy czy jakiś moduł sterujący jest do tego potrzebny ?? 8)7 i czy podnośniki od wersji 3d będą pasować do 5 d ?
Jarmarek
Maniak
Posty: 1435
Rejestracja: 17 paź ndz, 2004 11:54 pm
Posiadany PUG: 205 CTi
Numer Gadu-gadu: 2422735
Lokalizacja: Warszawa

Re: wymiana --->korbki na przyciski :)

Post autor: Jarmarek »

Nie jest potrzebny mechanizm.
Jest potrzebne 'kawałek' kabla.

Od 3D nie będą pasować.
bullet666
Junior
Posty: 230
Rejestracja: 03 lis pn, 2008 1:45 am
Posiadany PUG: na razie szukam gentry....
Numer Gadu-gadu: 2046824

Re: wymiana --->korbki na przyciski :)

Post autor: bullet666 »

aha czyli tylko zasilanie wystarczy doprowadzić i będzie śmigać ?? tylko jak nie pasuje z wersji 3d to skąd tu wytrzasnąć do 5d :roll:

P.S. idzie po czymś poznać czy mechanizm jest od wersji 3d lub 5d ??
mateon
Uzalezniony
Posty: 996
Rejestracja: 06 lut śr, 2008 12:12 am
Posiadany PUG: 205
Numer Gadu-gadu: 464582
Lokalizacja: Piaseczno

Re: wymiana --->korbki na przyciski :)

Post autor: mateon »

szyba od 3d. jest dłuższa i mogą różnić sie długością ramienia????
a wogóle były montowane szyby elektryczne w tylnych drzwiach??
Awatar użytkownika
kabzik
Junior
Posty: 379
Rejestracja: 04 cze pn, 2007 10:18 am
Posiadany PUG: 205 GL 1.1, 106 Quiksilver 1.4
Lokalizacja: Częstochowa

Re: wymiana --->korbki na przyciski :)

Post autor: kabzik »

kup same silniczki od szybek albo cały mechanizm od 3 drzwiowej! ze starego mechanizmu szlifierką zcinasz trzy nity wyjmujesz mechanizm korbkowy i przykrecasz w te same miejsca silniczki i masz elektryczny mechanizm.
http://www.peugeot309.pl/index.php?opti ... &Itemid=70
tu jest troche info. na 100% bedzie hulac jak wstawisz do starych ramion silniczki ja tak mam!
borek_wpr
Uzalezniony
Posty: 844
Rejestracja: 25 maja czw, 2006 10:01 am
Numer Gadu-gadu: 0
Lokalizacja: Pruszków

Re: wymiana --->korbki na przyciski :)

Post autor: borek_wpr »

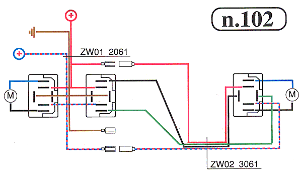
Może Ci się przyda schemat który wygrzebałem kiedyś w necie.
Schemat N 102 -Dwa przyciski dla kierowcy(może sterować prawą i lewą szybą) i jeden dla pasażera (tylko prawa szyba).
Schemat N 101 dwa przyciski dla lewej i prawej szyby (do dyspozycji kierowcy)
Jest też schemat podłączenia elektryki w wersji angielskiej ,patrz Poradnik-Haynes.
Pozwala wykorzystać podłączenie (+) i (-) zgodnie ze schematem P 205
Załączniki
el sz2.gif
el szyb 1.gif
el szyb 1.gif (10.65 KiB) Przejrzano 7514 razy
Trzeba isc przez życie twardo, nie żałować wszystkich sił...
Awatar użytkownika
skola
Uzalezniony
Posty: 867
Rejestracja: 27 lip czw, 2006 10:03 pm
Posiadany PUG: 205 Roland 1,4 TUS3 84KM
Numer Gadu-gadu: 0
Lokalizacja: Szczecin/pogodno

Re: wymiana --->korbki na przyciski :)

Post autor: skola »

odsylam do mojego tematu montowałem elektryczne szyby jakiś czas temu wszytko działa bez zarzutu

http://forum.peugeot205.pl/viewtopic.ph ... czne+szyby

od razu tez proponuje kupic nowe oryginalne przełączniki szyb ( 42 zł sztuka) bo moje uzywane szybko padły, bo albo nie zamykały, albo tylko zamykały a nie chciały odtworzyć ...
http://peugeot205.pl/index.php?modul=uzytkownik&id=2619

PRZÓD: Wzmak Rockford P450.4, Hertz HSK 165, radio JVC KD-BT1 ,TYŁ: Wzmak SOUNDSTREAM TRX2.550, SUB: MB Quart RWE 302 , kable 35MM^, kondzior 1 F
bullet666
Junior
Posty: 230
Rejestracja: 03 lis pn, 2008 1:45 am
Posiadany PUG: na razie szukam gentry....
Numer Gadu-gadu: 2046824

Re: wymiana --->korbki na przyciski :)

Post autor: bullet666 »

ok wielkie dzieki :wink: myślę że z tymi informacjami uda mi się to jakoś zmontować :) chociaż najbardziej boje się że z elektryka się coś mi popieprzy ,ale chyba jakoś to będzie 8)7

P.S. skola gdzie kupowałeś te nowe przełączniki ??
Awatar użytkownika
skola
Uzalezniony
Posty: 867
Rejestracja: 27 lip czw, 2006 10:03 pm
Posiadany PUG: 205 Roland 1,4 TUS3 84KM
Numer Gadu-gadu: 0
Lokalizacja: Szczecin/pogodno

Re: wymiana --->korbki na przyciski :)

Post autor: skola »

w aso sa
http://peugeot205.pl/index.php?modul=uzytkownik&id=2619

PRZÓD: Wzmak Rockford P450.4, Hertz HSK 165, radio JVC KD-BT1 ,TYŁ: Wzmak SOUNDSTREAM TRX2.550, SUB: MB Quart RWE 302 , kable 35MM^, kondzior 1 F
Awatar użytkownika
skola
Uzalezniony
Posty: 867
Rejestracja: 27 lip czw, 2006 10:03 pm
Posiadany PUG: 205 Roland 1,4 TUS3 84KM
Numer Gadu-gadu: 0
Lokalizacja: Szczecin/pogodno

Re: wymiana --->korbki na przyciski :)

Post autor: skola »

aby zrobic to porządnie zapatrz sie w konektorki żeńskie i męskie, i w szczególności rurki termokurczliwe, bo w drzwiach jest wilgoć a to nie sprzyja elektryce .... przy przyciskach jest 5 pinowa kostka wiec potrzebujesz 3 sztuki takich kostek
http://peugeot205.pl/index.php?modul=uzytkownik&id=2619

PRZÓD: Wzmak Rockford P450.4, Hertz HSK 165, radio JVC KD-BT1 ,TYŁ: Wzmak SOUNDSTREAM TRX2.550, SUB: MB Quart RWE 302 , kable 35MM^, kondzior 1 F
Awatar użytkownika
peterp194
Junior
Posty: 251
Rejestracja: 16 maja pn, 2011 6:52 pm
Posiadany PUG: 205 phII 1.1 TU1M Color Line
Numer Gadu-gadu: 7770682
Lokalizacja: Świerzowa Polska/Krosno

Re: wymiana --->korbki na przyciski :)

Post autor: peterp194 »

Wybaczcie za odkopanie tematu, ale chce się upewnić czy mam racje:
- Istnieje możliwość przełożenia samego silniczka, żeby mieć elektryczne szyby?
- Podejdą silniczki z 309?
grzesiek309
Peugeot 205 Master
Posty: 5502
Rejestracja: 01 lis ndz, 2009 8:13 pm
Posiadany PUG: Dużo 205 & Partner V6
Numer Gadu-gadu: 0
Lokalizacja: Białystok
Kontakt:

Re: wymiana --->korbki na przyciski :)

Post autor: grzesiek309 »

Musisz mieć cały mechanizm, samego silniczka nie zamontujesz :N Siłowniki z 309 pasują bez problemu :Y Mam komplet do 3d lub 5d na sprzedaż.
Jest Ci smutno? Jest Ci źle? Wsiądź do puga, przejedź się!
Określenie "Poranny poprawiacz nastroju" nabiera nowego znaczenia... :D
Naprawy, modyfikacje, remonty 205 i nie tylko ;) https://www.facebook.com/205renovation/
Awatar użytkownika
peterp194
Junior
Posty: 251
Rejestracja: 16 maja pn, 2011 6:52 pm
Posiadany PUG: 205 phII 1.1 TU1M Color Line
Numer Gadu-gadu: 7770682
Lokalizacja: Świerzowa Polska/Krosno

Re: wymiana --->korbki na przyciski :)

Post autor: peterp194 »

Ok, dzięki za info. To rozwiało wszelkie moje wątpliwości 8)
Awatar użytkownika
Para
Peugeot 205 Master
Posty: 10182
Rejestracja: 30 cze pn, 2003 6:31 pm
Posiadany PUG: najlepszy
Numer Gadu-gadu: 1559591
Lokalizacja: Baile Átha Cliath
Kontakt:

Re: wymiana --->korbki na przyciski :)

Post autor: Para »

Tak z ciekawości, były elektryczne szybki z tyłu w wersjach 5 drzwiowych ?
Peugeot 205 GTI S16 - Galeria
Peugeot 205 GTI GTI6 2.0 - Galeria
Megane Coupe 1.4
Obrazek
NIE PYTAJ CO KLUB MOŻE ZROBIĆ DLA CIEBIE, TYLKO CO TY MOŻESZ ZROBIĆ DLA KLUBU
grzesiek309
Peugeot 205 Master
Posty: 5502
Rejestracja: 01 lis ndz, 2009 8:13 pm
Posiadany PUG: Dużo 205 & Partner V6
Numer Gadu-gadu: 0
Lokalizacja: Białystok
Kontakt:

Re: wymiana --->korbki na przyciski :)

Post autor: grzesiek309 »

Nie było :N Jedni mówią, że pasują przednie siłowniki z 5d a inni, że nie pasują 8)7
Jest Ci smutno? Jest Ci źle? Wsiądź do puga, przejedź się!
Określenie "Poranny poprawiacz nastroju" nabiera nowego znaczenia... :D
Naprawy, modyfikacje, remonty 205 i nie tylko ;) https://www.facebook.com/205renovation/
ODPOWIEDZ