wajcha zmiany biegów
- Martinoo
- Moderator
- Posty: 4031
- Rejestracja: 16 lip czw, 2009 3:55 pm
- Posiadany PUG: 205 Color line Dturbo, 307 XSI HDI, 407 SW 2.0 HDI
- Numer Gadu-gadu: 8330169
- Lokalizacja: Gdynia
- Kontakt:
wajcha zmiany biegów
Poprzedni właściciel mojego puga skrócił wajche zmiany biegów ucinając ją piłą i naklejając na wierzch gałkę. Czy muszę wymieniać cały mechanizm czy da rade wymienić jakoś samą to wajche, żeby była normalnej wysokości?
205 1.9 Dturbo -> NIE MA OGNIA BEZ DYMU !!! ;P
307 XSI 2.0 HDI ~140KM
407 SW 2.0 HDI 136KM
P.S Nie drażnij lwa!

307 XSI 2.0 HDI ~140KM
407 SW 2.0 HDI 136KM
P.S Nie drażnij lwa!
- Martinoo
- Moderator
- Posty: 4031
- Rejestracja: 16 lip czw, 2009 3:55 pm
- Posiadany PUG: 205 Color line Dturbo, 307 XSI HDI, 407 SW 2.0 HDI
- Numer Gadu-gadu: 8330169
- Lokalizacja: Gdynia
- Kontakt:
Re: wajcha zmiany biegów
No ale słuchaj, miałem zdjete to całe ustrojstwo i to wygląda tak jak by to było podłączone pod ten cały mechanizm na stałe. Chyba że nie zauwazyłem śrub. JAk to tam jest skonstruowane?zmac pisze:Wymieniasz sama wajche.
205 1.9 Dturbo -> NIE MA OGNIA BEZ DYMU !!! ;P
307 XSI 2.0 HDI ~140KM
407 SW 2.0 HDI 136KM
P.S Nie drażnij lwa!

307 XSI 2.0 HDI ~140KM
407 SW 2.0 HDI 136KM
P.S Nie drażnij lwa!
-
grzesiek309
- Peugeot 205 Master
- Posty: 5502
- Rejestracja: 01 lis ndz, 2009 8:13 pm
- Posiadany PUG: Dużo 205 & Partner V6
- Numer Gadu-gadu: 0
- Lokalizacja: Białystok
- Kontakt:
Re: wajcha zmiany biegów
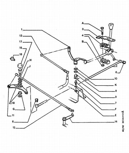
Rozbierasz całą konsolę wokół dźwigni, odginasz wykładzinę a pod nią masz blachę osłonową mechanizmu. Odkręcasz kilka nakrętek, wyciągasz blachę i gumę pod nią i masz wszystko jak na tacy. Zostaje tylko odpiąć cięgno pod samochodem i odkręcić wajchę. Dla łatwiejszego zrozumienia wrzucam rysunek z servicebox.
Jest Ci smutno? Jest Ci źle? Wsiądź do puga, przejedź się!
Określenie "Poranny poprawiacz nastroju" nabiera nowego znaczenia...
Naprawy, modyfikacje, remonty 205 i nie tylko
https://www.facebook.com/205renovation/
Określenie "Poranny poprawiacz nastroju" nabiera nowego znaczenia...
Naprawy, modyfikacje, remonty 205 i nie tylko
- Martinoo
- Moderator
- Posty: 4031
- Rejestracja: 16 lip czw, 2009 3:55 pm
- Posiadany PUG: 205 Color line Dturbo, 307 XSI HDI, 407 SW 2.0 HDI
- Numer Gadu-gadu: 8330169
- Lokalizacja: Gdynia
- Kontakt:
Re: wajcha zmiany biegów
I wg. Ciebie ten zaznaczony element na obrazku jest demontowalny oddzielnie??grzesiek309 pisze:Rozbierasz całą konsolę wokół dźwigni, odginasz wykładzinę a pod nią masz blachę osłonową mechanizmu. Odkręcasz kilka nakrętek, wyciągasz blachę i gumę pod nią i masz wszystko jak na tacy. Zostaje tylko odpiąć cięgno pod samochodem i odkręcić wajchę. Dla łatwiejszego zrozumienia wrzucam rysunek z servicebox.
205 1.9 Dturbo -> NIE MA OGNIA BEZ DYMU !!! ;P
307 XSI 2.0 HDI ~140KM
407 SW 2.0 HDI 136KM
P.S Nie drażnij lwa!

307 XSI 2.0 HDI ~140KM
407 SW 2.0 HDI 136KM
P.S Nie drażnij lwa!
-
grzesiek309
- Peugeot 205 Master
- Posty: 5502
- Rejestracja: 01 lis ndz, 2009 8:13 pm
- Posiadany PUG: Dużo 205 & Partner V6
- Numer Gadu-gadu: 0
- Lokalizacja: Białystok
- Kontakt:
Re: wajcha zmiany biegów
Tak, da się go bez większego problemu wyjąć. Trzeba tylko odpiąć drążek nr 2(na obrazku powyżej) i wykręcić śrubę nr8 (na obrazku poniżej)
Jest Ci smutno? Jest Ci źle? Wsiądź do puga, przejedź się!
Określenie "Poranny poprawiacz nastroju" nabiera nowego znaczenia...
Naprawy, modyfikacje, remonty 205 i nie tylko
https://www.facebook.com/205renovation/
Określenie "Poranny poprawiacz nastroju" nabiera nowego znaczenia...
Naprawy, modyfikacje, remonty 205 i nie tylko
- Martinoo
- Moderator
- Posty: 4031
- Rejestracja: 16 lip czw, 2009 3:55 pm
- Posiadany PUG: 205 Color line Dturbo, 307 XSI HDI, 407 SW 2.0 HDI
- Numer Gadu-gadu: 8330169
- Lokalizacja: Gdynia
- Kontakt:
Re: wajcha zmiany biegów
Dzieki wielkie Grześku

205 1.9 Dturbo -> NIE MA OGNIA BEZ DYMU !!! ;P
307 XSI 2.0 HDI ~140KM
407 SW 2.0 HDI 136KM
P.S Nie drażnij lwa!

307 XSI 2.0 HDI ~140KM
407 SW 2.0 HDI 136KM
P.S Nie drażnij lwa!
-
grzesiek309
- Peugeot 205 Master
- Posty: 5502
- Rejestracja: 01 lis ndz, 2009 8:13 pm
- Posiadany PUG: Dużo 205 & Partner V6
- Numer Gadu-gadu: 0
- Lokalizacja: Białystok
- Kontakt:
Re: wajcha zmiany biegów
Nie ma za co
Jak coś to mam dźwignię z 309, wg servicebox jest taka sama 
Jest Ci smutno? Jest Ci źle? Wsiądź do puga, przejedź się!
Określenie "Poranny poprawiacz nastroju" nabiera nowego znaczenia...
Naprawy, modyfikacje, remonty 205 i nie tylko
https://www.facebook.com/205renovation/
Określenie "Poranny poprawiacz nastroju" nabiera nowego znaczenia...
Naprawy, modyfikacje, remonty 205 i nie tylko
-
Ospalek
- Nowicjusz
- Posty: 11
- Rejestracja: 19 paź śr, 2011 1:55 pm
- Posiadany PUG: XLD
- Numer Gadu-gadu: 2822135
- Lokalizacja: Dęby
Re: wajcha zmiany biegów
Mam pytanko...
Jak nazywa sie element pod numerkiem 7 na ostatnim zdjęciu...
I gdzie mozna takie cos dostac albo jakis zamiennik.
Jak nazywa sie element pod numerkiem 7 na ostatnim zdjęciu...
I gdzie mozna takie cos dostac albo jakis zamiennik.
Music is my Extasy
- Draxter
- Junior
- Posty: 331
- Rejestracja: 11 cze pt, 2010 6:36 pm
- Posiadany PUG: był 205 GTI jest 106 Rallye ph1
- Numer Gadu-gadu: 27279
- Lokalizacja: polska centralna
Re: wajcha zmiany biegów
W/g ServiceBox-a jest to poprostu "TULEJKA" - pelny opis to "TULEJKA - DIAM 12X15"Ospalek pisze:Jak nazywa sie element pod numerkiem 7 na ostatnim zdjęciu...
Najprosciej w ASO : numer czesci 245027 a koszt 3,14 PLNOspalek pisze:I gdzie mozna takie cos dostac albo jakis zamiennik.
"To, że milczę, nie znaczy, że nie mam nic do powiedzenia."